
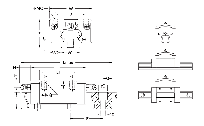
| 型号 | 组合尺寸(mm) | 滑块尺寸(mm) | 导轨尺寸(mm) | ||||||||||||
| H | W | W2 | E | L | B×J | MQ×1 | Li | 油孔 | T1 | N | W1 | H1 | F | d×D×h | |
| BRH25BL | 40 | 48 | 12.5 | 7 | 110.1 | 35×50 | M6×10 | 79.1 | M6×1 | 11.8 | 15.6 | 23 | 22 | 60 | 7×11×9 |
| 型号 | 基本负荷(kgf) | 容许静力矩(kgf*m) | 参考数据(mm) | 重量 | |||||||
| 静额定负荷 | 动额定负荷 | Mx | My | Mz | Lmax | G | 滑块(kg) | 导轨(kg/m) | |||
| BRH25BL | 2600 | 4600 | 52.9 | 45.5 | 45.5 | 4000 | 20 | 0.56 | 3.6 | ||
电话:133-5818-3019
邮箱:252761808@qq.com
地址:江苏省常州市武进区长三角模具城
网址:https://www.abbajx.com