当前位置: 首页 >> 产品中心

产品中心

联系我们

电话:133-5818-3019
邮箱:252761808@qq.com
地址:江苏省常州市武进区长三角模具城
在线咨询
  • 产品型号:BRH20B
  • 产品品牌:ABBA
  • 产品价格:来电洽谈
  • 采购电话:133-5818-3019
立即咨询
  • 产品详情
  • 联系我们

 

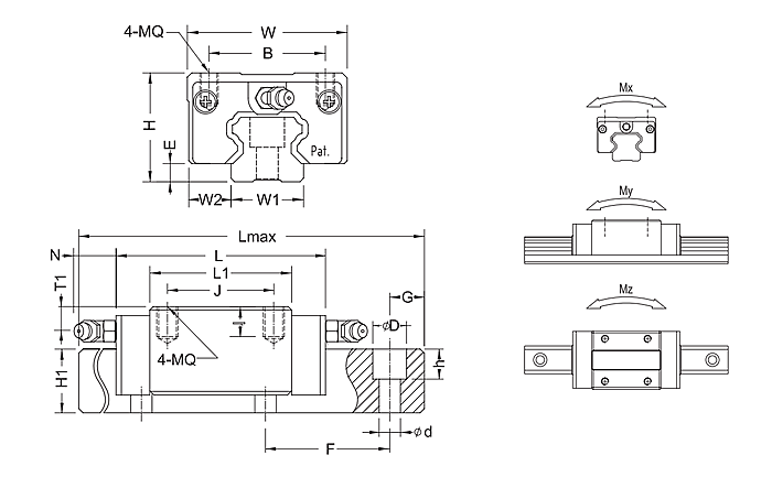
BRH20B

型号 组合尺寸(mm) 滑块尺寸(mm) 导轨尺寸(mm)
H W W2 E L B×J MQ×1 Li 油孔 T1 N W1 H1 F d×D×h
BRH20B 30 44 12 5 77.8 32×36 M5×8 48.8 M6×1 7 15.6 20 18 60 6×9.5×8.5
型号 基本负荷(kgf) 容许静力矩(kgf*m) 参考数据(mm) 重量
静额定负荷 动额定负荷 Mx My Mz Lmax G 滑块(kg) 导轨(kg/m)
BRH20B 1400 2400 24 14.6 14.6 4000 20 0.31 2.6



 

台湾ABBA导轨BRH20B的性能特点
 
      1.定位精度高
      ABBA导轨BRH20B的运动借助钢球滚动实现,导轨副摩擦阻力小,动静摩擦阻力差值小,低速时不易产生爬行。重复定位精度高,适合作频繁启动或换向的运动部件。可将机床定位精度设定到超微米级。同时根据需要,适当增加预载荷,确保钢球不发生滑动,实现平稳运动,减小了运动的冲击和振动。
 
      2.磨损小
      对于滑动导轨面的流体润滑,由于油膜的浮动,产生的运动精度误差是无法避免的。在绝大多数情况下,流体润滑只限于边界区域,由金属接触而产生的直接摩擦是无法避免的,在这种摩擦中,大量的能量以摩擦损耗被浪费掉了。与之相反,滚动接触由于摩擦耗能小,滚动面的摩擦损耗也相应减少,故能使滚动直线导轨系统长期处于高精度状态。同时,由于使用润滑油也很少,这使得在机床的润滑系统设计及使用维护方面都变的非常容易。
 
      3.适应高速运动且大幅降低驱动功率
      采用ABBA导轨BRH20B的机床由于摩擦阻力小,可使所需的动力源及动力传递机构小型化,使驱动扭矩大大减少,使机床所需电力降低80%,节能效果明显。可实现机床的高速运动,提高机床的工作效率20~30%。
 
      4.承载能力强
      ABBA导轨BRH20B具有较好的承载性能,可以承受不同方向的力和力矩载荷,如承受上下左右方向的力,以及颠簸力矩、摇动力矩和摆动力矩。因此,具有很好的载荷适应性。在设计制造中加以适当的预加载荷可以增加阻尼,以提高抗振性,同时可以消除高频振动现象。而滑动导轨在平行接触面方向可承受的侧向负荷较小,易造成机床运行精度不良。
 
       5.组装容易并具互换性
       传统的滑动导轨必须对导轨面进行刮研,既费事又费时,且一旦机床精度不良,必须再刮研一次。滚动导轨具有互换性,只要更换滑块或导轨或整个滚动导轨副,机床即可重新获得高精度。


 
       如前所述,由于滚珠在导轨与滑块之间的相对运动为滚动,可减少摩擦损失。通常滚动摩擦系数为滑动摩擦系数的2%左右,因此采用滚动导轨的传动机构远优越于传统滑动导轨。

 

常州爱彼彼爱机械有限公司

电话:133-5818-3019

邮箱:252761808@qq.com

地址:江苏省常州市武进区长三角模具城

网址:https://www.abbajx.com

返回列表

常州爱彼彼爱机械有限公司

主要经营台湾ABBA产品:直线导轨、滑块;滚珠丝杆;光轴、直线轴承、箱式单元;精密锁紧螺母;交叉滚子导轨;微型导轨等系列产品。 在线咨询
133-5818-3019